Как отпереть багажник в ВАЗ-2114
Если не удается открыть багажник, вероятно, поврежден замок из-за небрежного вскрытия, засорился либо сломался в силу других причин. Для открытия багажника с поврежденным запорным устройством нужно выполнить следующие действия:
- подготовьте отвертку;
- извлеките заднюю стенку сиденья для обеспечения доступа изнутри салона;
- аккуратно достаньте пластиковую защиту замка;
- между фиксирующими гайками найдите рычажок, который следует поддеть отверткой и дернуть снаружи багажник, и последний откроется.
Рассмотрим неординарные методы для открытия замка в ВАЗ-2114. Для многих будет удивительно, но вашу машину можно открыть и другими способами, прибегнув к веревке, линейке, теннисному мячу или даже телефону. Итак, по порядку.
- Веревка. Чтобы воспользоваться данным методом и открыть дверь, понадобится веревка либо леска. Вначале нужно дверной угол отогнуть. Для этого впору применить любой инструмент, подойдет даже деревянная/пластиковая лопатка для кухни. Неплохо найти деревянные колышки.
Чтобы не сделать царапин на авто, стоит наклеить на задействованный участок изоленту. Если последней под рукой нет, подойдет ткань. На веревке нужно завязать петельку, после чего эту веревку протянуть в образовавшийся зазор. Далее следует петлей выполнить захват дверной блокирующей кнопки. Когда последняя попадет в петлю, можно тянуть веревку вверх, и дверь откроется. При сноровке и везении манипуляции пройдут довольно быстро.
- Проволока. Понадобится маленькая отвертка, кусок проволоки и пилочка для маникюра. Если под рукой нет проволоки, сгодится, к примеру, спица для вязания либо сварочный электрод. Вначале нужно вытащить пару сантиметров оконного уплотнителя. Его можно подцепить пилочкой либо отверткой. Далее нужно загнуть крючок на кончике проволоки, вставив его в образовавшееся отверстие.
7 распространенных неисправностей
Почему не работает центральный замок ваз 2114, спросите вы? Чаше всего перебои возникают при температурных перепадах, влажной погоде. Первые признаки — нечеткая работа замка, заклинивание или не полное срабатывание.
Ниже перечислим топ главных поломок:
- Неисправность реле. В данном случае можно обойтись «малой кровью», купить и поменять деталь проще простого.
- Замыкания. Данный вариант уже более проблематичен, нежели предыдущий. Теперь нам понадобится мультиметр, с помощью него необходимо прозвонить проводку.
- Нарушение электропроводки. Здесь речь идет об обрывах, нарушениях изоляции. Требуется тщательный осмотр.
- Активные помехи со стороны «Г-образных» пружинок при работе тяги. Эта неисправность, а вернее недоработка, заключается в том, что пружина, которая помогает в движении механизму замка, со временем создает препятствия для свободного хода. В результате возникают проблемы с работой ЦЗ. Решение вопроса простое и одновременно гениальное – извлечь все пружинки из 4 дверей. С точки зрения работоспособности механизма, отсутствие пружины не скажется на его работе, наоборот, центральный замок заработает с новой силой!
- Выход из строя блока центрального замка. Такая ситуация не слишком распространена, но имеет место быть. Проверить блок можно при помощи знакомого нам мультиметра. Все что нужно это замерить напряжение на контактах БЦЗ. При отсутствии измерительного прибора, возможно, прибегнуть к следующему методу: напряжение с отрицательной клеммы аккумуляторной батареи нужно передать на контакты моторедуктора, после чего можно понаблюдать за работой узла.
- Неисправность предохранителя центрального замка ваз 2114.Проблема может быть спровоцирована работой узла в условиях повышенных нагрузок (например, когда затруднен ход сердцевины). Довольно распространенное явление среди любителей всевозможного тюнинга, изменения стоковых накладок на двери. В результате таких модификаций зазор под ходунок оказывается меньшего диаметра, нежели заводской. Как результат – затруднение работы ЦЗ, повышенная нагрузка на привод и электрику в целом. Потому не удивительно, что предохранитель перегорает.
- Активатор ЦЗ неисправен. Один из самых уязвимых элементов в системе. Выходу из строя способствует воздействие влаги, окисление, механический износ в результате трения.
Замена замка багажника на ВАЗ-2113 2114 2115
Старый механизм снят, нужно установить новый. Процесс обратный демонтажу.
Замена личинки производится на снятом замке. Нужно проверить состояние пружины. Если элемент слабый, требуется поменять.
При установке нового элемента не нужно сразу затягивать болты — багажник не будет закрываться. Рекомендуется отрегулировать положение крышки фиксаторами. Болты затягиваются медленно. Так получится произвести регулировку, чтобы крышка плотно закрывалась. Нужно проверить уплотнители. При износе элементов крышка бьется о кузов, создаются вибрации.
Замок багажника семейства «Лада-Самара» часто выходит из строя. Одна простая переделка поможет избавиться от проблемы. Достаточно установить изделие от «Лады-Гранты».
Процесс следующий:
- Изготовить крепление из уголка 40 х 40 мм.
![]()
- Установить заглушку личинки на крышке.
- Подключить провода. «Запитаться» от элементов, идущих к дворнику. Один провод (белый с синей полосой) подключается к приводу замка, другой (желтый с голубой полосой) — к концевику.
- Установить новое изделие, отрегулировать, убедиться в работоспособности.
После произведенных действий получаем надежный и долговечный механизм, который не откроется самостоятельно и не будет дребезжать.
Перед началом работ нужно отсоединять клемму (-) с аккумулятора для безопасности.
Отключение клеммы от аккумулятора
Как снять старый замок
Процесс снятия и замены на автомобилях хэтчбек (2113, 2114) и седан (2115) отличается, хотя принцип действий одинаковый.
Порядок снятия механизма на ВАЗ-2114:
- Убрать пластиковую накладку. Обивка крепится на 10 пистонах, которые достаточно поддеть отверткой. Откроется доступ к механизму.
Снятие крышки замка багажника
- Открутить 2 болта ключом на «8». Производить действие нужно аккуратно, с одной стороны расположены клеммы, отвечающие за стеклоочиститель и стоп-сигнал на спойлере.
Откручивание 2 болтов
- Достать неисправный элемент.
Если крышка не закрывается, требуется регулировка.
Снятие и замена замка багажника седана ВАЗ-2115:
- Демонтировать пластмассовую накладку, открепив пистоны.
- Доступ к неисправной детали открыт, нужно выпрямить тягу привода. Вывернуть соответствующий винт (не до конца). Достать тягу из втулки.
Привод замка крышки багажника
- Перейти на рычаг цилиндра. Вывести тягу механизма, достать.
- Открутить 3 гайки изделия и демонтировать. Открутить болт крепления цилиндра и снять.
Скручивание гаек крепления
Возникновение проблемы
Новомодный дизайн кузова многих моделей ВАЗ стал началом проблем. Во многих автомобилях владельцы замечают неприятные шумы и хлопки с задней стороны кузова. Эти громкие звуки раздаются, когда машина проезжает по неровностям и дверка багажника начинает стучать. Скорее всего, этот недочет получился в результате того, что тест автомобиля проводился в пригодных для поездки условиях — на ровном дорожном покрытии. В идеальных условиях трудно заметить неправильное положение запорной площадки или штока. Кроме того, зазор обычно появляется только после поездки по некачественному покрытию из-за вибрации, возникающей в стыках.
Еще одна причина — износ механизма закрывания. Из-за этой проблемы открывается багажник на ходу ВАЗ 2114. Такая же ситуация возникает и у других моделей. Это происходит из-за того, что запорный зуб замка или сломался, или почти полностью стерся. Казалось бы, что здесь такого, ведь можно взять и поменять замок на новый. Но проблема останется, если не изменить подход к ней. Основной замочный механизм закрывания нужно заменить на устройство другого типа.
Также причинами того, что багажник самопроизвольно открывается во время движения автомобиля, могут стать поломка силуминовых деталей или износ уплотнителя.
В любом случае придется менять механизм, но на что?

Как открыть багажник с разными типами замков?
Механические замки
Механика на хэтчбеках и универсалах — самый простой случай – если доступ в салон сохранился: мы имеем дело с поломкой, а не с забытым внутри единственным комплектом ключей. Надо откинуть спинку сидений и снять заднюю полку, если она есть, чтобы получить доступ к внутреннему объему багажника. Конструктивно возможны два варианта:
- когда задок дверцы багажника полностью закрыт обшивкой;
- или имеется отдельный лючок над замком.
Второй вариант предпочтительнее – открыв только лючок, находим слетевшую тягу или, наоборот, снимаем ее, если личинка не проворачивается. Для открытия багажника потянем или надавим на тягу, в зависимости от кинематики замка.
Если же обшивка полностью закрывает дверцу, то в захлопнутом состоянии багажника извлечь ее невозможно. Подбираться к механике замка в этом случае придется, открутив доступные крепежи или вытащив открытые пистоны, а затем аккуратно отгибая обшивку сверху на себя. Но не всегда это потребуется – внимательно посмотрите на замок, нет ли на нем язычка принудительной разблокировки? Он прячется в небольшом пазе, поддеваем его ключом или тонкой отверткой. Иногда он даже подписан.
На седанах доступ затруднен или невозможен – наличие отдельного объема зачастую толкает конструкторов на размещение поперечин жесткости за неоткидными спинками сидений или там может стоять бензобак, как на Mercedes-Benz W124. Если спинки откидываются или на худой конец есть достаточно широкий лючок для длинномерных грузов, то влезть в багажник будет можно, иначе такой способ сработает, когда мы открутим спинку из салона и снимем поперечину. Классический пример подобной машины – это уже упомянутый во вступлении Renault Logan: сначала выдергиваем нижнюю подушку, затем выворачиваем два болта, которые крепят снизу спинку. Она выталкивается вверх, после чего, выкрутив четыре болта крепления поперечины, забираемся в багажник.
Пневматические замки
Исполнительный механизм замка не обязательно имеет механический привод – багажник открывается и пневматикой, что владельцам старых немецких автомобилей известно. Если вся пневматика управляется общим компрессором, доступным из салона, добираемся до него (обычно сняв нижнюю подушку заднего дивана) и дуем в нужную трубку. Причина отказа замка багажника в таких машинах – это трещины в трубке, из-за чего не хватает давления, чтобы открыть багажник. Применив шинный компрессор или насос, мы скорее откроем дверцу, если трубка не лопнула полностью.
Замки с электроприводом
Что делать, если никакой личинки и системы тяг на дверце нет, а есть только кнопка? Причем как раз коррозия контактов этих кнопок не даёт открыть багажник. В подобных автомобилях за управление электроприводом багажника управляет бортовой коммутационный модуль — BCM. Для принудительного открытия замка багажника замыкаем вывод, к которому подключена неисправная кнопка, на «массу». На Nissan Qashqai схема управления замком выглядит так:
Замыкая контакт 12 на BCM, мы принудительно откроем багажник. Естественно, остаются и механические способы открытия: в этом случае нам, как и с механическим замком, придется забраться в багажник. Возможны два варианта:
- с моноблочным замком;
- или с актюатором, связанным с замком через тягу.
В первом случае с замка придется снимать крышку, чтобы добраться до механической части и вручную освободить язычок блокировки, во втором случае отсоединяем тягу и с ее помощью открываем багажник.
Установка привода
Регулировка положения крышки багажника возможна, если вместо механического замка установить электронное устройство, в данном случае — привод. Для его монтажа понадобятся:
- универсальный набор установки привода для машины;
- металлический тросик с сечением 1,5 мм и 500 мм длиной;
- два контактных провода подключения по 4,5 м;
- саморезы с широкими шляпками;
- кнопка открывания для замка;
- фиксатор;
- предохранитель;

Устанавливаем привод на подготовленное место, согласно инструкции. Далее придется внести несколько поправок в конструкцию:
Открывание багажника ВАЗ производится при помощи нажатия кнопки, которую можно установить в салоне.
Регулировка электронного устройства производится по вложенной инструкции. Все остальные нюансы, которые стоит учесть при монтаже устройства в моделях ВАЗ, были указаны.
Подмена замка багажника на ВАЗ 2113, ВАЗ 2114, ВАЗ 2115
Замок багажника отвечает за его закрывание и открывание, благодаря нему багажник так же держится в закрытом положение и пока вы сами не возжелаете, он не раскроется, но с течением времени замок изнашивается либо крышка багажника заменяется на новейшую, в данном случае первым дело необходимо будет регулировать замок, в случае же с его износом его придётся и регулировать и поменять на новый, в неприятном же случае или крышка багажника не будет раскрываться (Зажмёт её, это самый нехороший вариант), или сама по для себя (При езде по кочкам) будет временами раскрываться.
Для подмены замка багажника, запаситесь последующим набором инструментов, а конкретно: Набором отвёрток, гаечных и накидных ключей, не считая этого может быть ещё и регулировочные пластинки пригодятся но это только в этом случае, если замок регулировать придётся, а новый замок регулировать под фиксатор непременно!
Где находится замок багажника?
В любом автомобиле есть замок у багажника, один он не играет никакой роли и толку от него нет, но если к этому замку поставить ещё и фиксатор (А фиксатор тоже в каждом автомобиле стоит), то при закрывании крышки багажника, замок будет заходить в зацепление с этим фиксатором и тем крышка заблокируется, две этих детали размещаются последующим образом, а конкретно сам замок находится в задней центральной части крышки багажника как это показано на большой фото, а фиксатор размещен не на крышки а на кузове автомобиля (см. малюсенькое фото) и при закрывании крышки багажника, замок заходит в этот фиксатор и крышка фиксируется.
Читайте так же
Когда нужно менять замок багажника?
Изменяется он в этом случае, когда он перестаёт работать и открывать багажник, основной предпосылкой неработоспособности замка является выход из строя его личинки, в неких случаях он просто деформируется (Из-за удара по нему чем то, он может выйти из строя) не считая выше перечисленных ситуаций, замок время от времени ещё меняют рабочий, просто при подмене крышки багажника замок встаёт на новое положение и бывают случаи что крышка багажника не может закрыться и люди сходу бегут в автомагазин за новым, хотя в таковой ситуации фиксатор замка довольно будет просто отрегулировать и он прослужит ещё очень долгую жизнь, потому смотрите сами не спутайте в каких случаях замок подлежит подмене, а в каких случаях его довольно легко будет отрегулировать.
УСТАНОВКА ЗАМКА БАГАЖНИКА ОТ ЛАДЫ КАЛИНЫ 1118 НА ВАЗ 2109
Алгоритм установки электропривода замка крышки багажника
Электропривод багажника ВАЗ 2115 и ВАЗ 2114 лучше всего устанавливать из стандартного комплекта.
Для монтажа нужно подготовить:
- Трос, изготовленный из металлического материала. Его размеры 1,5 мм на 0,5 м.
- Несколько проводов около 5 метров длиной каждый, для контактного подключения.
- Болты-саморезы.
- Контактные группы от клеммной колодки.
- Кнопка для открытия замка.
- Держатель и предохранитель.

Электрозамок Работа происходит таким образом:
- Нужно 7 ключом зафиксировать втулку и при помощи отвертки отвернуть стопорный винт тягового механизма. Под винт установить шайбу.
- Из подготовленного комплекта с электрическим приводом изготовить крюк диаметром около 20 мм. Эту деталь зацепить за винт замка и рейку электропровода. Реле установить на багажник используя болты-саморезы.
- Скрепить пластину с активатором, оставив зазор около 15 мм, после чего установить непосредственно активатор. Делается это при помощи болтов-саморезов.
- Из заготовленного тросика сделать тягу, которая соединит рычаг изделия с рейкой. Соединить деталь со стопорным механизмом и язычком изготовления.
- Подключая провода, трос можно провести при помощи монтажа роликового механизма, который имеется в стеклоподъемнике. Остальные провода нужно спрятать под потолком автомобиля, затянув под обшивку салона.
- Далее следует обычное подключение к аккумулятору и установка предохранителя.

Как заменить замок багажника на ВАЗ 2113-ВАЗ 2115?
1) Что касаемо хэтчбеков, на их замок снимается просто да и на седанах заморочек тоже не возникнет, но сам принцип подмены на 2-ух различных кузовах различен, сначала про хэтчбеки побеседуем, если у вас конкретно автомобиль с таким кузовом, то на их сначала снимите обивку которая снутри крышки багажника на 10 пистонах крепится, она снимается совсем не сложно, все пистоны отвёрткой поддели и после этого обивку отложили в сторонку, более тщательно о том как это сделать, читайте в статье: «Замена спойлера на автомобилях», пункт 1-ый в той статье тщательно изучите.
2) После того как обивка снята, выверните два болта и тем снимите замок с автомобиля, но только при выкручивании болтов, учитывайте тот факт что под одним из их размещаются несколько клемм, одна из которых идёт на моторедуктора стеклоочистителя двери задка, а другая на стоп-сигнал, ну и всё, замок снят с автомобиля.
Примечание! Чтоб отрегулировать замок на данном типе автомобилей, берите накидной ключ (Можно гаечный если накидного нет, просто есть возможность сорвать болты крепления фиксатора) и им ослабьте болты крепящие фиксатор (Не выворачивайте их стопроцентно, в этом случае кстати вы регулируете положение замка, из-за сбитого положения крышка багажника может тяжело запираться, запираться с ударом либо очень плохо крепится и на кочках раскрываться вообщем), после этого переместите фиксатор в подходящем направлении, добившись того чтоб замок при закрывании крышки багажника, заходил в фиксатор без сильного усилия и чтоб багажник крепко запирался (см. фото 1), если же для вас необходимо будет отрегулировать крышку багажника по высоте (Другими словами крышка плохо запирается и у неё есть свободный ход, если крышку дёргать), то в данном случае полностью выкрутите болты крепящие фиксатор, снимите его и после чего находящиеся за ним регулировочные пластинки подберите (Всегда помните одну вещь, чем пластинок вы положите больше, тем крышка багажника будет стоять выше и у неё будет свободный ход, чем меньше же пластинок стоит, тем ужаснее крышка багажника запирается и тем посильнее она прижимается к кузову автомобиля, а если пластинок вообщем не будет, то крышку просто закрыть не получится, потому отыскиваете золотую середину, см. фото 2)!
3) Что касаемо седанов, на их сначала вынимаются пластмассовые фиксаторы при помощи отвёртки которые укрепляют крышку замка и после чего крышка снимается (см. фото 1), а когда она будет снята, к отсоединению тяги приступайте, для этого кончик тяги (Тяга указана голубой стрелкой на фото 2) выведите из отверстия которое зелёной стрелкой обозначено, но учтите, кончик загнут и крепится винтом который указан жёлтой стрелкой, потому сначала винт выверните, после этого загнутый кончик тяги разогните пассатижами и только после чего вытащите тягу из отверстия в какой она находится, как это всё будет изготовлено, выведите тягу ещё из отверстия в рычаге цилиндра замка (см. фото 3) и снимите её, сразу после чего выверните три гайки которые укрепляют замок (см. фото 4) к крышки багажника и снимите его со шпилек и в окончание, выворачивайте болт который укрепляет цилиндр замка
(см. фото 5) и снимите его (см. фото 6).
Примечание! Устанавливается новый замок на своё место в оборотном порядке снятию, при установке гайки сначала до упора не заворачивайте, а лучше немножко заверните и пробуйте в различных положениях замка, закрывать крышку багажника, тем вы замок отрегулируете под крышку и она у вас будет запираться нормально!
Варианты замены
Первый вариант банален до невозможности — купить аналогичный замок. Причем понадобится купить полностью весь замок, а не отдельную его деталь, ведь конструкция механизма неразборная. Замена производится при полном демонтаже старого замка. Это решение стоит рассматривать как временное, так как технология производства та же, и проблемы останутся. Со временем придется менять и новый замок. Единственная положительная сторона такого решения — это вполне дешево.
Второй вариант предполагает полную замену механического замка на электрический контролируемый привод. Что это дает?
- Надежное закрывание багажника.
- Возможность контролировать положение задней дверцы с места водителя.
Установка такой системы — не самое дешевое удовольствие, зато окончательный результат действительно порадует пользователя. Электронный привод куда удобнее в обращении и является надежной заменой механическому аналогу.

Подготовка к монтажу
Приобретаем комплект замка. Производителей автозапчастей на рынке сейчас очень много, а различий между комплектами особенных нет
Важно чтобы на устройство имелся гарантийный талон и инструкция по эксплуатации и подключению. Также в коробке вы обнаружите:
Дополнительно вам нужно запастись набором стандартных инструментов: плоскогубцы, шуруповерт, отвертки, мультиметр, дрель с твердосплавным сверлом. Помимо стандартных приспособлений сразу же докупите дополнительных проводов, вполне возможно, что длины тех, которые вы обнаружите в коробке, вам не хватит. Также пригодится черная термостойкая изолирующая лента, гофрированные трубки, клипсы для крепления обшивки, так как очень часто обшивка элементов автомобиля крепится на одноразовые.

VESKO-TRANS.RU
Как открыть багажник ваз 2115 пустынный
Перебор автомобилисты знают Есть проблема с поломкой замка. Это особенно актуально для автомобилей российского производства, качество которых почти во всех отношениях не является идеальным. При этом хуже всего то, что неисправность является неожиданной, когда это абсолютно необходимо ключ
, запасной, насос, другими словами, какая-то вещь в заднем отсеке
Именно по этой причине важно знать, как открыть сундук без ключа, если проход сломает его замок. Каждому автомобилисту понадобится этот навык
как для повседневного использования, так и для дальних поездок.

Если багажник отдельный
Автомобиль или купе. это типы кузова, в которых багажное отделение напрямую не связано с кабиной. Что делать в сложившейся ситуации? Чтобы открыть багажник, нужно открыть задние двери автомобиля и попытаться опустить заднюю часть пассажирского дивана (если конструкция автомобиля допускает такую операцию). Для демонтажа старых иномарок и представителей российского автопрома вам придется согнуть приваренные к корпусу петли металлические.
Теперь оцените, есть ли доступ к багажному отделению из салона. Почти половина автомобилей не может просачиваться в задний отсек из-за наличия усилителя с жестким корпусом, расположенного за спинкой сиденья (в большинстве случаев он похож на металлические полосы, сваренные вместе). в качестве открыть багажник
в таком случае? Вот как:
- Возьмите фонарик и загляните внутрь отсека. Тщательно осмотрите расположение замка (если багажник не загружен, механизм будет подвергаться пристальному вниманию).
- Придумайте удлинитель лебедки, затем прикрепите его к длинной палке (кусок арматуры) с помощью удлинителя.
- Если у машины есть кожа, ее придется снять. Для этого подготовьте удлинитель (теперь для отвертки).
Видео: Как открыть багажник ВАЗ 21099 без ключа
Если видео не указано, обновите страницу или style = color: # CC3333нажмите здесь
открыто стебель Вы можете использовать другой метод. Например, найдите кусок узкой проволоки, зафиксируйте его и пропустите через замок. Основная цель. отогнуть защелку в сторону и открыть, используя этот метод, защелку купе.
Другим выходом из ситуации, при отсутствии ключа, является введение шлицевой отвертки. Инструмент должен быть перемещен внутрь, затем поверните его в одном направлении и другом, немедленно пытаясь вращать механизм. Стоит знать, что этот метод не подойдет для новых российских автомобилей и иномарок. Причина в том, что есть специальная защита от взлома, которая не откроет багажник. Результатом этой работы является разрушение замка и необходимость его изменения. По этой причине лучше отклонить такой вариант в основном компоненте дел.
Замена и регулировка замка двери на ВАЗ 2109
Конструкция замков передних дверей всех автомобилей и задних дверей автомобилей ВАЗ 2109/21099 принципиально одинакова, основное отличие замков в том, что в наружных ручках передних дверей установлены цилиндры выключателей замков (личинки). Замки дверей ВАЗ 2109/21099 не разборные и ремонту не подлежат. В случае поломки требуется их замена.
Итак, для этой работы понадобится: вороток или трещотка с головкой «на 8», удлинитель, отвертка плоская, новые замки.
Каталожные номера замков дверей ВАЗ 2109:
- замок наружный для дверей ВАЗ 2108-15: правый — 21080610501400, левый — 21080610501500;
- замок внутренний для передней двери ВАЗ 2109: правый — 21080610501210, левый — 21080610501310;
- замок внутренний для задней двери ВАЗ 2109: правый — 21090620501210, левый — 21090620501310.
- Необходимо будет полностью снять обшивку передней двери. Вынимаем защитную плёнку двери, отжав уплотнитель от трёх пружин зажима.
- Отсоединяем две тяги. Одну от внутреннего замка и другую от ручки выключения замка.
- Откручиваем со стороны торца двери два винта крепления замка двери и вынимаем его.
- Откручиваем два винта крепления внутренней ручки замка и выводим ручку из паза двери.
- Вынимаем замок двери и меняем его на новый, отсоединив тяги.
Как отрегулировать замок двери ВАЗ 2109:
- следует вытащить пластиковый паз и открутить/закрутить его в соответствии с регулировкой. Таким образом, достигается верная настройка замка запирания.
- для регулировки закрывания двери «не на ключ», необходимо менять положение фиксатора на кузове. Кстати, изменение положения этого фиксатора может способствовать снижению шума и усилий при закрывании двери.
Открываем багажник с кнопки Лада 2114
Добрый день! Может тема и баян, но все равно напишу (возможно кому нить и пригодится). Долго думал какую систему открывания багажника сделать, вариантов несколько было, какая будет надежнее. В итоге выбрал систему которая без особых переделок, оказалась и надежной (уже год катаюсь и без проблем). Нашел в общем вот такие чертежи, заказал у знакомого отца токаря.

Чертеж основного элемента
В итоге получил вот такую штучку.

Установка в штатное место без всяких подпилов подгонок.

Скину замок чтоб показать наглядно как работает эта система.

вот так они выглядят вместе

Рычажок снизу ставится ножкой под родной замок, сверху нему подцепляем тягу с соленоида и имеем вот такой результат при втягивании соленоида

Вид сбоку при открывании

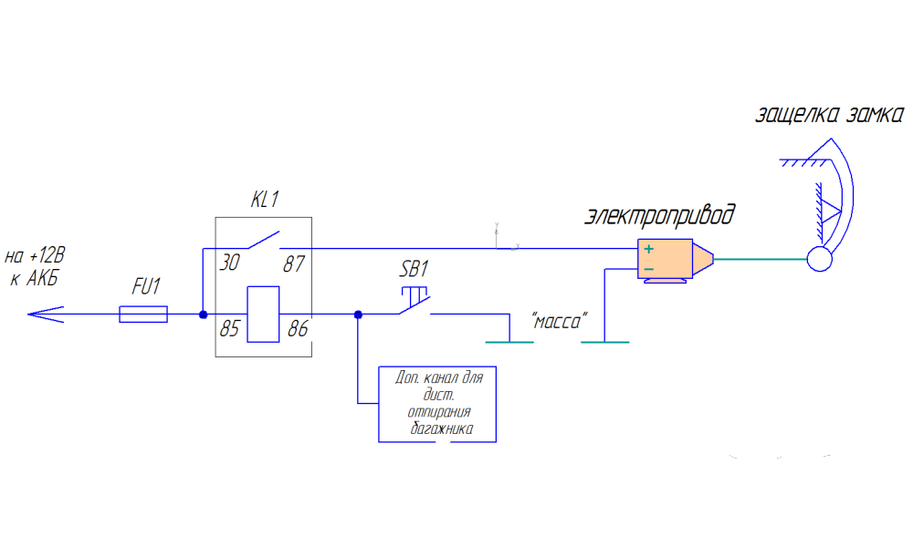
На месте он смотрится вот так. Все приблуда готова, пошло подключение вот по этой схеме

поставил кнопку в авто

Вот так это работает:
Осталось придумать как сделать чтоб открывалась крышка багажника сама. В итоге у друга выпросил амортики багажника от фольца гольфа 6. Что мы имеем:
По теплу все это дело четко работало, но с приходом холодов перестало открываться, в итоге надо было что нить сделать чтоб выталкивало амортик, потому что не хватало ему чуть чуть. Аккуратно разобрал амортики зажав в тиски через перчатку чтоб не закосячить шток, очень тужко откручивалось.

Взял его и пошел в магазин. В ВАЗовском магазине подобрал пружинки. В соседнем магазинчике взял резинки(манжеты от японца) по размеру штока, чтоб зафиксировать пружинку.
Получилось как то вот так:

Смотрится это вот так. И снова багажник открывается САМ!
Снимаем старый замок
Личинка замка накрепко вбита в механизм, и потому без его полного демонтажа замену осуществить не получится.
Подготовьте следующие инструменты:
- 8-миллиметровый торцевой ключ;
- комплект крестообразных отверток;
- маркер.
Далее надо обрисовать запирающий механизм маркером и отвернуть ключом держащие его гайки. Позднее установка замка по нанесенным контурам облегчит его регулировку, или даже при удачном стечении обстоятельств сделает эту процедуру вовсе лишней.
Чтобы в работе не мешали провода, спрятанные под обивкой, отодвиньте их в сторону и временно приклейте полоской изоленты. Снимите замок со шпилек и осмотрите его на предмет повреждений – при наличии таковых его придется менять.








































